Где найти электрические схемы видеокарт ahp

Где найти электрические схемы видеокарт ahp Asus ROG STRIX RX570 4G GAMING R1 60YV0AJ1-VG0A12 Boardview.FZ - Asus - DeviceDB
Где найти электрические схемы видеокарт ahp
Где найти электрические схемы видеокарт ahp Intel снимает с производства Core i7-975 XE, Pentium E5300 и Celeron E3200
Asus ROG STRIX RX570 4G GAMING R1 60YV0AJ1-VG0A12 Boardview.FZ - Asus - DeviceDB
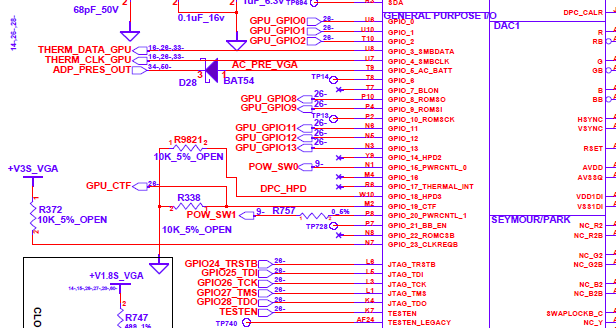
Где найти электрические схемы видеокарт ahp Электрическая схема видеокарт AMD Radeon HD5770 и HD6770
Intel снимает с производства Core i7-975 XE, Pentium E5300 и Celeron E3200
Где найти электрические схемы видеокарт ahp Электрическая схема видеокарт AMD Radeon HD5770 и HD6770
Электрическая схема видеокарт AMD Radeon HD5770 и HD6770
Где найти электрические схемы видеокарт ahp AMD ATi Radeon X550
Электрическая схема видеокарт AMD Radeon HD5770 и HD6770
Где найти электрические схемы видеокарт ahp News Posts matching 'nvidia' TechPowerUp
AMD ATi Radeon X550
Где найти электрические схемы видеокарт ahp nVidia GF10x/Geforce 4xx Speku-, News- & Diskussionsthread Part 4 (1. Seite lese
News Posts matching 'nvidia' TechPowerUp
Где найти электрические схемы видеокарт ahp Gigabyte GV-RX580GAMING-4GD Rev 1.0 Schematic.PDF https://devicedb.xyz/dev/file/
nVidia GF10x/Geforce 4xx Speku-, News- & Diskussionsthread Part 4 (1. Seite lese
Где найти электрические схемы видеокарт ahp Схема электрических лодочных моторов
Gigabyte GV-RX580GAMING-4GD Rev 1.0 Schematic.PDF https://devicedb.xyz/dev/file/
Где найти электрические схемы видеокарт ahp Изображения и характеристики GeForce 9600 GT Green Edition
Схема электрических лодочных моторов
Где найти электрические схемы видеокарт ahp ZOTAC GeForce GTX 650 2GB Extreme Pictured and Detailed
Изображения и характеристики GeForce 9600 GT Green Edition
Где найти электрические схемы видеокарт ahp Дисплейный модуль.
ZOTAC GeForce GTX 650 2GB Extreme Pictured and Detailed
Где найти электрические схемы видеокарт ahp Универсальный синтезатор All Band трансивера UT2FW.
Дисплейный модуль.
Где найти электрические схемы видеокарт ahp СЦБИСТ - железнодорожный форум, блоги, фотогалерея, социальная сеть - Графически
Универсальный синтезатор All Band трансивера UT2FW.
Где найти электрические схемы видеокарт ahp GIGABYTE GA-B75M-D3V REV 1.1 - Component Finder (.PDF) СервисКомп форум по ремон
СЦБИСТ - железнодорожный форум, блоги, фотогалерея, социальная сеть - Графически
Где найти электрические схемы видеокарт ahp Schemat Asus R9 280X Asus R9280X-DC2T-3GD5 C386PI3 * Forum ELVIKOM
GIGABYTE GA-B75M-D3V REV 1.1 - Component Finder (.PDF) СервисКомп форум по ремон
Где найти электрические схемы видеокарт ahp Электрическая схема видеокарт AMD Radeon HD5770 и HD6770
Schemat Asus R9 280X Asus R9280X-DC2T-3GD5 C386PI3 * Forum ELVIKOM
Где найти электрические схемы видеокарт ahp Электрическая схема видеокарт AMD Radeon HD5770 и HD6770
Электрическая схема видеокарт AMD Radeon HD5770 и HD6770
Где найти электрические схемы видеокарт ahp Схема видеокарты gtx 460 - 87 фото
Электрическая схема видеокарт AMD Radeon HD5770 и HD6770
Где найти электрические схемы видеокарт ahp Управление частотами и разгон ноутбучных видеокарт AMD Radeon в Windows - Версия
Схема видеокарты gtx 460 - 87 фото
Где найти электрические схемы видеокарт ahp смартфон - Услуги и сервисы в Майкопе Поиск специалистов Услуги на Авито
Управление частотами и разгон ноутбучных видеокарт AMD Radeon в Windows - Версия
Где найти электрические схемы видеокарт ahp Изображения и характеристики GT218
смартфон - Услуги и сервисы в Майкопе Поиск специалистов Услуги на Авито
Где найти электрические схемы видеокарт ahp Acer всё ещё боится Microsoft Surface
Изображения и характеристики GT218
Где найти электрические схемы видеокарт ahp ремонт пк - Компьютеры в Алматы - OLX.kz
Acer всё ещё боится Microsoft Surface
Где найти электрические схемы видеокарт ahp Почти всё о Radeon X800 GTO
ремонт пк - Компьютеры в Алматы - OLX.kz
Где найти электрические схемы видеокарт ahp Блоги ROM.by ... BIOS80
Почти всё о Radeon X800 GTO
Где найти электрические схемы видеокарт ahp Галерея Multi-GPU видеоадаптеров
Блоги ROM.by ... BIOS80
Где найти электрические схемы видеокарт ahp GeForce GTS 240 Reference PCB Schematics Surface TechPowerUp
Галерея Multi-GPU видеоадаптеров
Где найти электрические схемы видеокарт ahp Контент NBN - Страница 34 - Форум по радиоэлектронике
GeForce GTS 240 Reference PCB Schematics Surface TechPowerUp
Где найти электрические схемы видеокарт ahp Ответы Mail.ru: Нужна структурная схема видеокарты GTX 770 Gigabyte
Контент NBN - Страница 34 - Форум по радиоэлектронике