Драйвер налобного фонаря с датчиком движения схема

Драйвер налобного фонаря с датчиком движения схема Фонари, велофары, аккумуляторы, ЗУ, велокомпьютеры, сумки, крепления.
Драйвер налобного фонаря с датчиком движения схема
Драйвер налобного фонаря с датчиком движения схема FLSU-03-1 (0.3-0,6А-1,5A 1реж); Импул. драйвер для фонарика
Фонари, велофары, аккумуляторы, ЗУ, велокомпьютеры, сумки, крепления.
Драйвер налобного фонаря с датчиком движения схема Драйвер налобного фонаря - Драйвер (плата) для налобного фонаря на диоде XM-LXM-
FLSU-03-1 (0.3-0,6А-1,5A 1реж); Импул. драйвер для фонарика
Драйвер налобного фонаря с датчиком движения схема Публикации Драйвер, Прожектор, Шпионские гаджеты
Драйвер налобного фонаря - Драйвер (плата) для налобного фонаря на диоде XM-LXM-
Драйвер налобного фонаря с датчиком движения схема Датчик движения для охранного освещения
Публикации Драйвер, Прожектор, Шпионские гаджеты
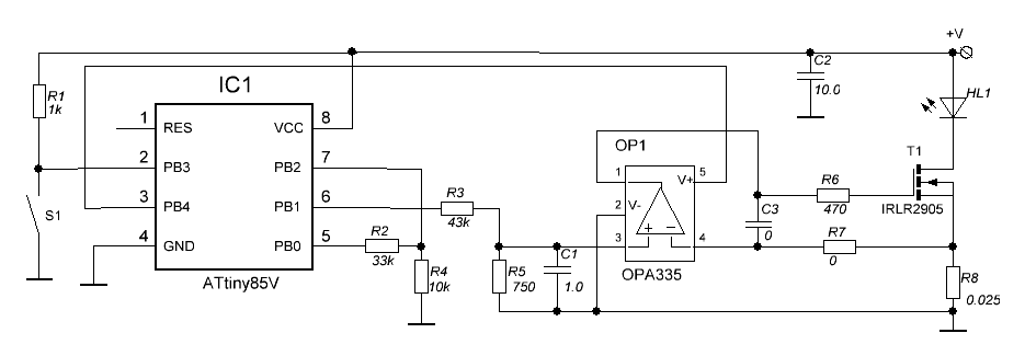
Драйвер налобного фонаря с датчиком движения схема Принципиальная схема Electronics circuit, Circuit, Shema
Датчик движения для охранного освещения
Драйвер налобного фонаря с датчиком движения схема Налобный фонарь на 2х18650 CREE XM-L T6 K11
Принципиальная схема Electronics circuit, Circuit, Shema
Драйвер налобного фонаря с датчиком движения схема Стабилизатор тока светодиода фонарика - Преобразователи напряжения (инверторы) -
Налобный фонарь на 2х18650 CREE XM-L T6 K11
Драйвер налобного фонаря с датчиком движения схема Ремонт фонаря Q-2199 - Форум радиолюбителей
Стабилизатор тока светодиода фонарика - Преобразователи напряжения (инверторы) -
Драйвер налобного фонаря с датчиком движения схема Модификация китайского налобного фонаря (обновлено) - Opel Zafira B, 1,8 л, 2011
Ремонт фонаря Q-2199 - Форум радиолюбителей
Драйвер налобного фонаря с датчиком движения схема Ремонт налобного фонаря. Фонарь не включается.
Модификация китайского налобного фонаря (обновлено) - Opel Zafira B, 1,8 л, 2011
Драйвер налобного фонаря с датчиком движения схема Схема драйвера фонаря UltraFire C8 (директдрайв с полевиком на выходе) - Хардвар
Ремонт налобного фонаря. Фонарь не включается.
Драйвер налобного фонаря с датчиком движения схема Доработка китайского налобного фонарика, драйвер светодиода на AMC7135 Лучшие ра
Схема драйвера фонаря UltraFire C8 (директдрайв с полевиком на выходе) - Хардвар
Драйвер налобного фонаря с датчиком движения схема AX2002-10-1 Драйвер для фонарика импульсный 1А, 1 режим
Доработка китайского налобного фонарика, драйвер светодиода на AMC7135 Лучшие ра
Драйвер налобного фонаря с датчиком движения схема Solar powered LED well light sxemy-podnial.net.ru
AX2002-10-1 Драйвер для фонарика импульсный 1А, 1 режим
Драйвер налобного фонаря с датчиком движения схема Motion sensing led light Motion sensor lights, Motion sensing, Electronic circui
Solar powered LED well light sxemy-podnial.net.ru
Драйвер налобного фонаря с датчиком движения схема PIR Sensor Security Light & Switch Electronic circuit projects, Motion sensor li
Motion sensing led light Motion sensor lights, Motion sensing, Electronic circui
Драйвер налобного фонаря с датчиком движения схема YX8018 Joule Thief Solar LED Driver - Electronics-Lab.com
PIR Sensor Security Light & Switch Electronic circuit projects, Motion sensor li
Драйвер налобного фонаря с датчиком движения схема Налобный фонарь на 2х18650 CREE XM-L T6 K11
YX8018 Joule Thief Solar LED Driver - Electronics-Lab.com
Драйвер налобного фонаря с датчиком движения схема Перейти на страницу с картинкой
Налобный фонарь на 2х18650 CREE XM-L T6 K11
Драйвер налобного фонаря с датчиком движения схема Схема лед драйвера HeatProf.ru
Перейти на страницу с картинкой
Драйвер налобного фонаря с датчиком движения схема Контент ku1ibin - Форум по радиоэлектронике
Схема лед драйвера HeatProf.ru
Драйвер налобного фонаря с датчиком движения схема Подсветим темные углы - инфракрасный датчик движения (HC-SR501) с доработкой, ча
Контент ku1ibin - Форум по радиоэлектронике
Драйвер налобного фонаря с датчиком движения схема Sofirn New C8a C8t Driver 2 Groups Circuit Board Anti-reverse Led Driver Chip Mo
Подсветим темные углы - инфракрасный датчик движения (HC-SR501) с доработкой, ча
Драйвер налобного фонаря с датчиком движения схема Драйвер (плата) для 2-3 диодов XM-L, XM-L2 (24х37мм) (для налобного фонаря)
Sofirn New C8a C8t Driver 2 Groups Circuit Board Anti-reverse Led Driver Chip Mo
Драйвер налобного фонаря с датчиком движения схема transformerless - Safety of zener diode based non isolated power supplies - Elec
Драйвер (плата) для 2-3 диодов XM-L, XM-L2 (24х37мм) (для налобного фонаря)
Драйвер налобного фонаря с датчиком движения схема Драйвер светодиода для фонарика HeatProf.ru
transformerless - Safety of zener diode based non isolated power supplies - Elec
Драйвер налобного фонаря с датчиком движения схема X-BALSG и WD325-100000W - налобные светодиодные фонари sxemy-podnial.net.ru
Драйвер светодиода для фонарика HeatProf.ru
Драйвер налобного фонаря с датчиком движения схема Ремонт драйвера светодиодного светильника своими руками
X-BALSG и WD325-100000W - налобные светодиодные фонари sxemy-podnial.net.ru
Драйвер налобного фонаря с датчиком движения схема Схема фонарика: электрическая, на светодиодах, с зарядкой от сети
Ремонт драйвера светодиодного светильника своими руками