La78040n схема включения микросхема

La78040n схема включения микросхема Cn Электрический Ic торговля, купить Электрический Ic напрямую с завода производ
La78040n схема включения микросхема
La78040n схема включения микросхема Картинки КАДРОВАЯ РАЗВЕРТКА
Cn Электрический Ic торговля, купить Электрический Ic напрямую с завода производ
La78040n схема включения микросхема Persamaan Ic La7845 - Data Pin Dan Persamaan Ic Vertikal Lengkap Satelit Parabol
Картинки КАДРОВАЯ РАЗВЕРТКА
La78040n схема включения микросхема Bengkel master: Persamaan STV9302A LA78040 STV9302B AN5522 STV9378 / Equation ic
Persamaan Ic La7845 - Data Pin Dan Persamaan Ic Vertikal Lengkap Satelit Parabol
La78040n схема включения микросхема IC, LM1875T LM1875, Amplifier, 1 pcs. (Item# I0014)
Bengkel master: Persamaan STV9302A LA78040 STV9302B AN5522 STV9378 / Equation ic
La78040n схема включения микросхема Микросхема la78141 аналоги - TouristMaps.ru
IC, LM1875T LM1875, Amplifier, 1 pcs. (Item# I0014)
La78040n схема включения микросхема Схема телевизора erisson 21f7: Схема телевизора ERISSON 21F7 v1 скачать бесплатн
Микросхема la78141 аналоги - TouristMaps.ru
La78040n схема включения микросхема La78045 даташит: LA78045 Datasheet(PDF) - Sanyo Semicon Device - i-FlashDrive фл
Схема телевизора erisson 21f7: Схема телевизора ERISSON 21F7 v1 скачать бесплатн
La78040n схема включения микросхема Saturn ST2939A шасси M13 - нет кадровой
La78045 даташит: LA78045 Datasheet(PDF) - Sanyo Semicon Device - i-FlashDrive фл
La78040n схема включения микросхема Utsource is distributor of LA78040N Sanyo, buy Darlington, Capacitor, find chips
Saturn ST2939A шасси M13 - нет кадровой
La78040n схема включения микросхема la78040 la7840 各 引 脚 功 能 及 电 压 资 料-电 子 发 烧 友 网
Utsource is distributor of LA78040N Sanyo, buy Darlington, Capacitor, find chips
La78040n схема включения микросхема 10PCS LA78045 TO220-7 78045 TO220 LA78040 LA78041 LA78145 LA78141 LA78040B - buy
la78040 la7840 各 引 脚 功 能 及 电 压 资 料-电 子 发 烧 友 网
La78040n схема включения микросхема Перейти на страницу с картинкой
10PCS LA78045 TO220-7 78045 TO220 LA78040 LA78041 LA78145 LA78141 LA78040B - buy
La78040n схема включения микросхема Школа спортивных аналогий в менеджменте - TouristMaps.ru
Перейти на страницу с картинкой
La78040n схема включения микросхема ORION SPP2123F горизонтальная полоса
Школа спортивных аналогий в менеджменте - TouristMaps.ru
La78040n схема включения микросхема UTC78040 даташит YOUWANG ELECTRONICS техническое описание радиодетали, описание
ORION SPP2123F горизонтальная полоса
La78040n схема включения микросхема LA78040N ИМС кадровой развертки TO-220-7H - ИМС кадровой развёртки в Хабаровске
UTC78040 даташит YOUWANG ELECTRONICS техническое описание радиодетали, описание
La78040n схема включения микросхема LA7830 datasheet
LA78040N ИМС кадровой развертки TO-220-7H - ИМС кадровой развёртки в Хабаровске
La78040n схема включения микросхема Микросхема LA78040
LA7830 datasheet
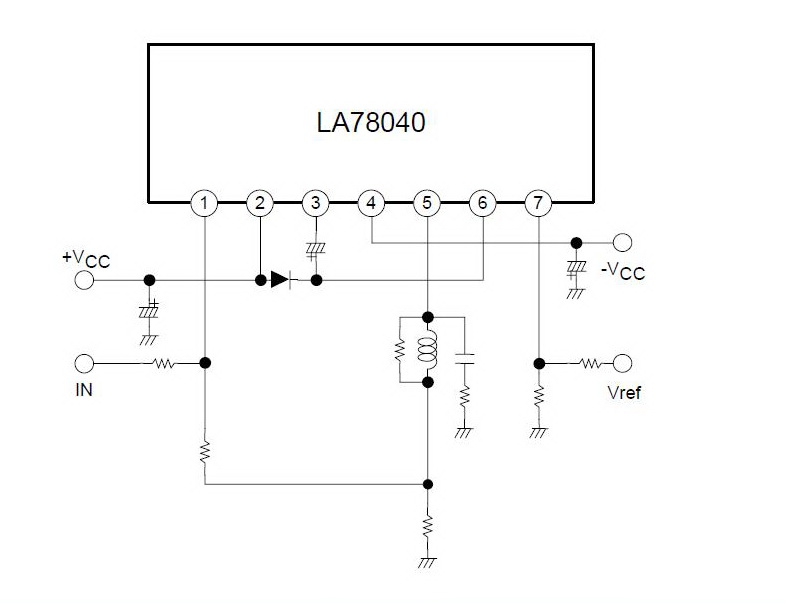
La78040n схема включения микросхема 13+ La78040 Circuit Diagram Robhosking Diagram
Микросхема LA78040
La78040n схема включения микросхема Изображение СХЕМЫ КАДРОВОЙ РАЗВЕРТКИ
13+ La78040 Circuit Diagram Robhosking Diagram
La78040n схема включения микросхема LA78040 даташит Sanyo техническое описание радиодетали, TV and CRT Display Verti
Изображение СХЕМЫ КАДРОВОЙ РАЗВЕРТКИ
La78040n схема включения микросхема LA78040N - купить в Красноярске. Состояние: Б/у. Микросхемы на интернет-аукционе
LA78040 даташит Sanyo техническое описание радиодетали, TV and CRT Display Verti
La78040n схема включения микросхема D78040 Datasheet PDF - ETC
LA78040N - купить в Красноярске. Состояние: Б/у. Микросхемы на интернет-аукционе
La78040n схема включения микросхема микросхема LA78040 TO220/7
D78040 Datasheet PDF - ETC
La78040n схема включения микросхема TDA : Hallenslev Radio-tv!, DK4281
микросхема LA78040 TO220/7
La78040n схема включения микросхема LA78041 Original supply, US $ 0.47-0.94 , SANYO Sanyo Semicon Device, LA78041 Su
TDA : Hallenslev Radio-tv!, DK4281
La78040n схема включения микросхема D78040 схема включения - TouristMaps.ru
LA78041 Original supply, US $ 0.47-0.94 , SANYO Sanyo Semicon Device, LA78041 Su
La78040n схема включения микросхема Persamaan LA 78141, LA 78041, LA78040, LA78045 IC Vertikal TV - ServiceSparePart
D78040 схема включения - TouristMaps.ru
La78040n схема включения микросхема Микросхема LA78040(A,B) - купить с доставкой по выгодным ценам в интернет-магази
Persamaan LA 78141, LA 78041, LA78040, LA78045 IC Vertikal TV - ServiceSparePart
La78040n схема включения микросхема La78040n схема включения - 85 фото
Микросхема LA78040(A,B) - купить с доставкой по выгодным ценам в интернет-магази
La78040n схема включения микросхема Ic La78040 Circuit Diagram
La78040n схема включения - 85 фото
La78040n схема включения микросхема La78040b аналоги - TouristMaps.ru
Ic La78040 Circuit Diagram
La78040n схема включения микросхема El357n схема включения фото HobbiArt.ru
La78040b аналоги - TouristMaps.ru
La78040n схема включения микросхема Ремонт телека VR - Страница 2 - Форум радиолюбителей
El357n схема включения фото HobbiArt.ru
La78040n схема включения микросхема La78040 фото HobbiArt.ru
Ремонт телека VR - Страница 2 - Форум радиолюбителей
La78040n схема включения микросхема La78045 схема включения - Basanova.ru
La78040 фото HobbiArt.ru
La78040n схема включения микросхема LA78040 Pinout - TV, CRT Display Vertical Output IC - Sanyo
La78045 схема включения - Basanova.ru
La78040n схема включения микросхема Опыт ремонта телевизоров с микроконтроллерами SANYO семейства LC863ххх - RadioRa
LA78040 Pinout - TV, CRT Display Vertical Output IC - Sanyo
La78040n схема включения микросхема La78040 фото HobbiArt.ru
Опыт ремонта телевизоров с микроконтроллерами SANYO семейства LC863ххх - RadioRa